產品參數
操作界面
1 距離指示燈
2 設置指示燈
3 Select選擇鍵
4 SET設置鍵
5 4mA模擬量設置(指示燈)
6 20mA模擬量設置(指示燈)
7 開關量輸出1/模擬固定輸出(指示燈)
8 開關量輸出2(指示燈)
9 外部控制設置(指示燈)
10 數據采集頻率設置/光強設置(指示燈)
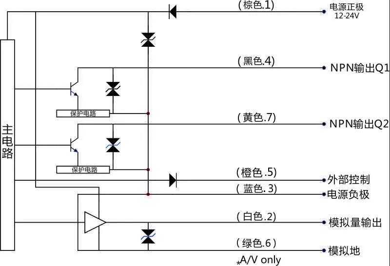
產品接線圖
模擬量輸出
串口輸出
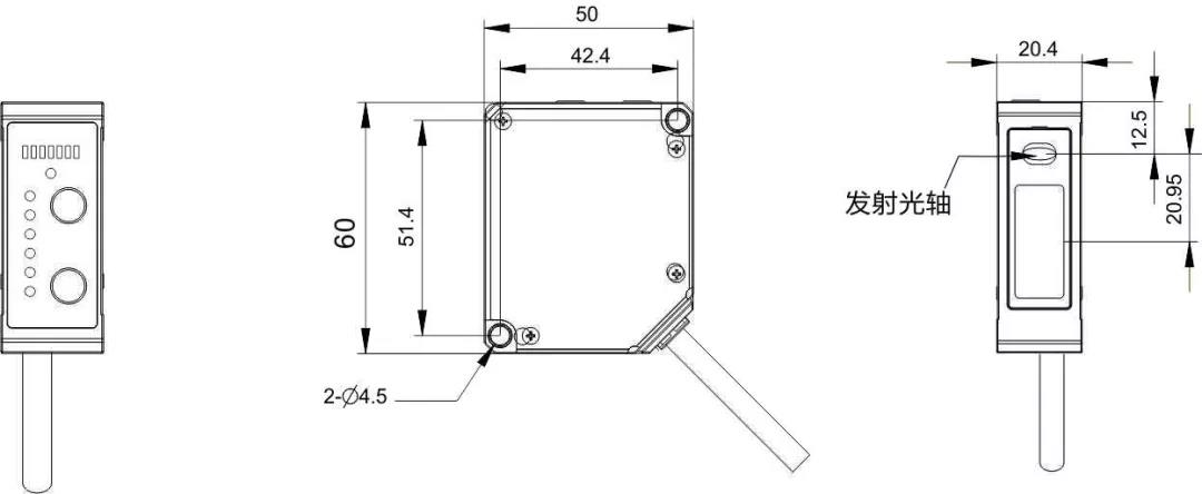
產品尺寸圖
距離指示燈
操作說明
一、功能選擇
1、按Select鍵5s進入功能設置模式,此時Teach紅燈亮;
2、按Select鍵,選擇需要設置的功能,功能對應的指示燈亮;
3、按Set鍵,對選中的功能進行設置;
4、功能設置完成,按住Select鍵5s退出功能設置模式,返回運行模式,此時Teach燈滅;
二、特殊功能選擇
1、同時按Set 和 Select鍵5s進入特殊功能模式,此時Teach綠燈亮;
2、按Select鍵,選擇需要設置的功能,特殊功能對應的指示燈亮;
3、按Set鍵,對選中的功能進行設置;
4、功能設置完成,按住Select鍵5s退出特殊功能模式,返回運行模式,此時Teach燈滅;
三、功能復位
在產品上電前,同時按住Set鍵和Select鍵,打開電源給產品上電,5s后放開Set鍵和Select鍵,此時所有的指示燈閃爍5次,說明己經取消之前的所有功能設置,恢復初始狀態。
四、功能設置
1、模擬電壓/電流輸出設置(可在測量范圍內的任意位置,由近到遠設置4-20mA或0-10V輸出)
(1)按Select鍵5s進入功能設置模式;
(2)按Select鍵,選擇使4mA(0V)指示燈亮;
(3)將物體放在你想要測量的第一個點上,此是輸出模擬4mA(0V)的位置;
(4)按Set鍵,4mA(0V)指示燈亮閃爍一次,說明設置成功;若指路示燈閃爍5次,說明設置失敗,需要重新設置;
(5)按Select鍵,選擇使20mA(10V)指示燈亮;
(6)將物做放在你想要測量的第二個點上,此是輸出模擬20mA(10V)的位置;
(7)按Set鍵,20mA(10V)指示燈亮閃爍一次,說明設置成功;若指示燈閃爍5次,說明設置失敗,需要重新設置;
(8)按Select鍵5s,退出功能設置模式,返回到運行狀態;
2、NPN、PNP開關量輸出設置(可在測量范圍內的任意位置開關量輸出)
一點設置:(位置的左側沒有輸出,右側有輸出)
(1)按Select鍵5s進入功能設置模式;
(2)按Select鍵,選擇使Q1(Q2)指示燈亮;
(3)將物體放在你想要測量的位置,并按Set鍵,Q1(Q2)指示燈亮閃爍一次,說明設置成功;若指路示燈閃爍5次,說明設置失敗,需要重新設置;
(4)按Select鍵5s,退出功能設置模式,返回到運行狀態;
兩點設置:(兩點位置之間有輸出,右側有輸出)
(1)按Select鍵5s進入功能設置模式;
(2)按Select鍵,選擇使Q1(Q2)指示燈亮;
(3)將物體放在你想要測量的第一個點上,并按Set鍵,Q1(Q2)指示燈亮閃爍一次,說明設置成功;若指路示燈閃爍5次,說明設置失敗,需要重新設置;
(4)第一個點設置成功后,將物體放在你想要測量的第二個點上,并按Set鍵,Q1(Q2)指示燈亮閃爍2次,說明設置成功;若指路示燈閃爍5次,說明設置失敗,需要重新設置;
(5)按Select鍵5s,退出功能設置模式,返回到運行狀態;
一點反向設置:(位置的左側有輸出,右側沒有輸出)
(1)按Select鍵5s進入功能設置模式;
(2)按Select鍵,選擇使Q1(Q2)指示燈亮;
(3)將物體放在你想要測量的位置,并長按Set鍵5s,設定開關輸出狀態變化的位置。Q1(Q2)指示燈亮閃爍一次,說明設置成功;若指路示燈閃爍5次,說明設置失敗,需要重新設置;
(4)按Select鍵5s,退出功能設置模式,返回到運行狀態;
3、外部控制設置
(1)按Select鍵5s,進入功能設置模式;
(2)按Select鍵,選擇使Q1(Q2)RC指示燈亮;
(3)通過按Set鍵,設置你需要的功能;
激光關閉:指示燈閃爍一次;
遠程功能設置:指示燈閃爍兩次;
采樣保持:指示燈閃爍三次;
(4)按住Select鍵5s,退出功能設置模式,返回到運行狀態;
4、平均計數設置
(1)長按Select鍵5s,進入功能設置模式;
(2)按Select鍵,選擇使Avg指示燈亮;
(3)通過按Set,選擇需要的平均計數模式;
快速(1次平均):指示燈閃爍一次;
標準(4次平均):指示燈閃爍兩次;
高精度(16次平均):指示燈閃爍三次;
(4)按住Select鍵5s,退出功能設置模式,返回到運行狀態;
五、特殊功能設置
1、在反射過高/過低而無法測量時的模擬輸出
(1)同時按住Set鍵和Select鍵5s進入特殊功能模式;
(2)按Select鍵,選擇使Q1指示燈亮;
(3)通過按Set鍵,選擇你需要的功能
模擬固定輸出100mA(11V): 指示燈閃爍一次;
保持最后的模擬輸出值: 指示燈閃爍兩次;
(4)長按Select鍵5s,退出功能設置模式,返回到運行狀態;
2、外部輸入控制
(1)同時長按Set鍵和Select鍵5s進入特殊功能模式;
(2)按Select鍵,選擇使RC指示燈亮;
(3)通過按Set鍵,設置你需要的功能:
激光關閉: 指示燈閃爍一次;
遠程功能設置: 指示燈閃爍兩次;
采樣保持: 指示燈閃爍三次;
單次觸發: 指示燈閃爍四次;
(4)按住Select鍵5s,退出功能設置模式,返回到運行狀態;
3、發光時間控制
(1)同時長按Set鍵和Select鍵5s進入特殊功能模式;
(2)按Select鍵,選擇使Avg指示燈亮;
(3)通過按Set鍵,設置你需要的功能:
強: 指示燈閃爍一次
普通: 指示燈閃爍兩次
弱: 指示燈閃爍三次
(4)按住Select鍵5s,退出功能設置模式,返回到運行狀態;
備注:當在功能設置/特殊功能設置的模式下,在60s內沒有任何設置操作時,將自動返回到運行模式。
附錄
1、遠程功能脈沖控制
遠程功能設置是通過外部控制輸入進行設定,根據外部控制輸入的高電平時間不同,對不同的功能進行設定。具體功能的設定時間如下:
2、實時短路保護
當產品短路時,兩端紅色距離指示燈閃爍,表示此產品已進入短路保護模式,需要按Select鍵5s恢復正常工作。
